Tabla de Contenidos
Unidades Exteriores PUHZ-SW200YKA(-BS)
Foto
Especificaciones básicas
| Modelo | Estándar | PUHZ-SW200YKA |
||
|---|---|---|---|---|
Versión -BS | PUHZ-SW200YKA-BS |
|||
| Tipo | Split R410A | |||
| Tecnología | Power Inverter | |||
| Capacidad | Calefacción (A7W35) | [kW] | 25,0 | |
| Refrigeración (A35W18) | [kW] | 22,0 | ||
| Datos de alimentación eléctrica | Alimentación | 3∿, 400V, 50Hz | ||
| Corriente máx. | [A] | 31 | ||
| Tamaño PIA | [A] | 32 | ||
| Cableado | [mm²] | 4 × 10 + ⏚ | ||
| Datos de instalación | Dimensiones | Al×An×Fo | [mm] | 1338×1050×330 |
| Peso | [kg] | 136 | ||
| Nivel sonoro | SPL (Calor) | [dB] | 62 | |
| SPL (Frío) | [dB] | 62 | ||
| PWL (Calor) | [dB] | 78 | ||
| Caudal del ventilador | [m³/min] | 140 | ||
| Datos frigoríficos | Diámetros Tuberías | Líquido | [mm (″)] | ⌀ 12,70 (½) |
| Gas | [mm (″)] | ⌀ 25,40 (1) | ||
| Distancias máximas | Altura | [m] | 30 | |
| Total | [m] | 80 | ||
| Gas refrigerante | Tipo (PCA) | R410A (2088) | ||
| Precarga | [kg] | 7,7 | ||
| [m] | 30 | |||
| Datos del circuito hidráulico primario | Tª impulsión | Calor (Máx.) | [°C] | 60 |
| Frío (Mín.) | [°C] | 5 | ||
| Caudal de trabajo | [ℓ/min] | 28,7 ~ 71,7 | ||
| Volumen mínimo | Cl. med/cál | [ℓ] | 29 | |
| Clima frío | [ℓ] | 86 | ||
| Rango de Tª exterior operativa | Calefacción | [°C] | -20 ~ +21 | |
| Refrigeración | [°C] | -15 ~ +46 | ||
| Producción de ACS | [°C] | -20 ~ +35 | ||
| Unidades interiores compatibles | Hydrobox | F/C | ERSE-YM9ED |
|
ERSE-MED |
||||
| S/C | EHSE-YM9ED |
|||
| Accesorios compatibles | Placa de control FTC6 | PAC-IF071B-E |
||
| Placa de control FTC2BR | PAC-IF033B-E |
|||
| Tratamiento Blygold® | ATW-BLY-2VN |
|||
| Deflector de salida de aire | PAC-SG96SG-E × 2 |
|||
| Guía de protección de viento | PAC-SH95AG-E × 2 |
|||
| Tapones/guía drenaje | PAC-SG61DS-E |
|||
| Bandeja centralizada drenaje | PAC-SH97DP-E |
|||
| Herramienta de monitorización | PAC-SK52ST-E |
|||
Dimensiones
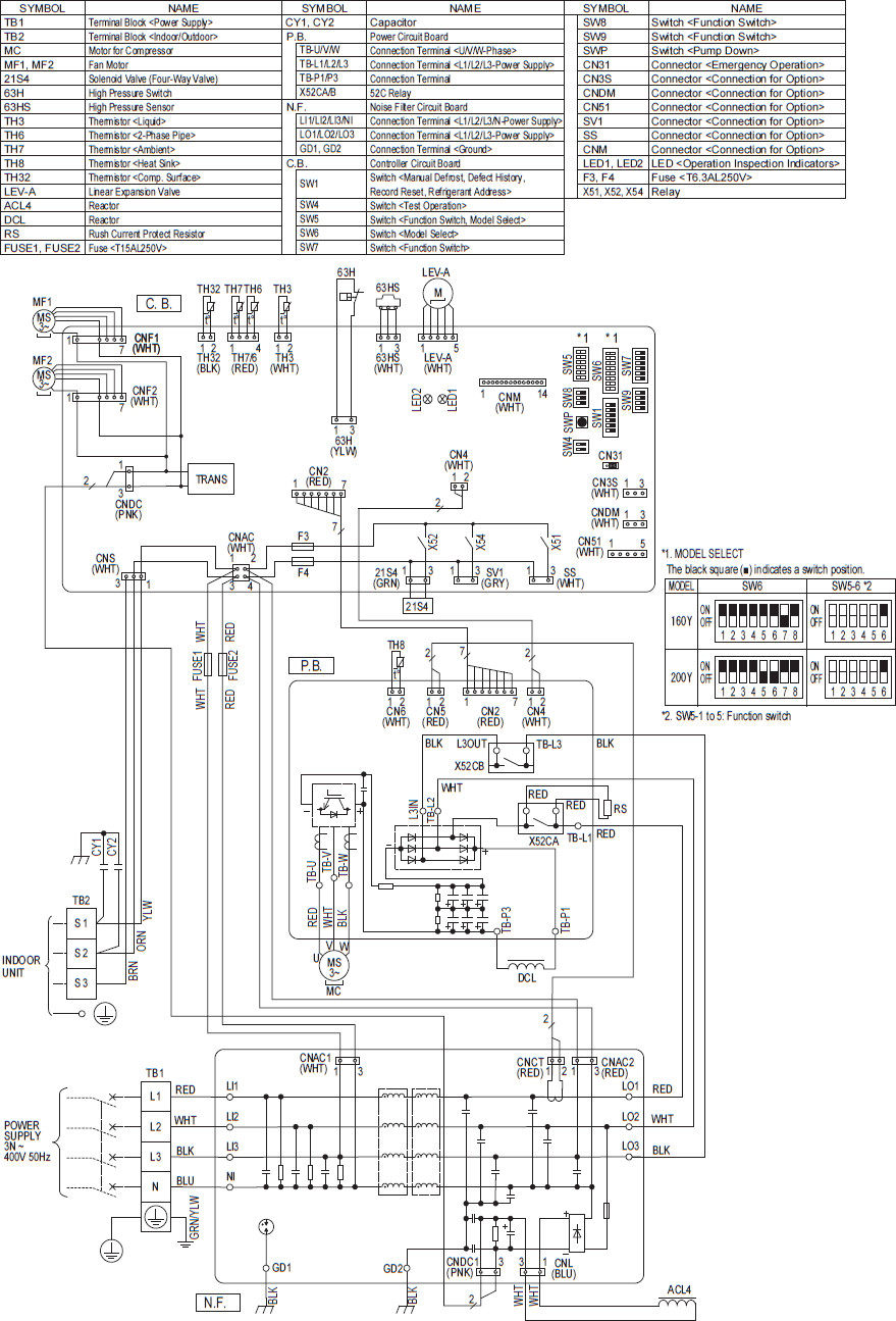
Esquema eléctrico
Esquema frigorífico
Datos de rendimiento
- Datos de referencia mostrados a temperaturas de agua de impulsión de 35°C, 40°C, 45°C, 50°C, 55°C y 60°C.
- Se muestran los regímenes de trabajo Máximo, Nominal, Medio (80% del Nominal) y Mínimo del compresor.
- Los datos resaltados así integran la función de desescarche.
- El rendimiento real puede variar según las condiciones de funcionamiento.
- Datos medidos según EN 14511:2013.
Refrigeración
| Temperatura de impulsión [°C] | |||||
|---|---|---|---|---|---|
| 7 | 18 | ||||
| Rég. | Tª | Cap. | EER | Cap. | EER |
| [°C] | [kW] | [kW] | |||
| Máx. | 35 | 20,3 | 2,19 | 27,8 | 2,95 |
| 30 | 21,2 | 2,40 | 25,6 | 3,58 | |
| 25 | 21,9 | 2,71 | 26,4 | 4,03 | |
| 20 | 22,7 | 2,83 | 27,4 | 4,22 | |
| Nom. | 35 | 20,0 | 2,25 | 22,0 | 4,10 |
| 30 | 20,0 | 2,63 | 22,0 | 4,46 | |
| 25 | 20,0 | 3,06 | 22,0 | 4,93 | |
| 20 | 20,0 | 3,39 | 22,0 | 5,22 | |
| Med. | 35 | 16,0 | 2,76 | 17,6 | 4,74 |
| 30 | 16,0 | 3,05 | 17,6 | 5,15 | |
| 25 | 16,0 | 3,63 | 17,6 | 5,66 | |
| 20 | 16,0 | 3,97 | 17,6 | 6,01 | |
| Mín. | 35 | 7,7 | 3,22 | 11,1 | 5,05 |
| 30 | 8,2 | 3,59 | 11,3 | 5,45 | |
| 25 | 8,6 | 4,05 | 11,5 | 5,86 | |
| 20 | 9,1 | 4,30 | 11,7 | 6,08 | |
Calefacción
| Temperatura de impulsión [°C] | |||||||||||||||
|---|---|---|---|---|---|---|---|---|---|---|---|---|---|---|---|
| 25 | 35 | 40 | 45 | 50 | 55 | 60 | |||||||||
| Rég. | Tª | Cap. | COP | Cap. | COP | Cap. | COP | Cap. | COP | Cap. | COP | Cap. | COP | Cap. | COP |
| [°C] | [kW] | [kW] | [kW] | [kW] | [kW] | [kW] | [kW] | ||||||||
| Máx. | -20 | - | - | 13,1 | 2,19 | 11,8 | 1,94 | 10,9 | 1,70 | - | - | - | - | - | - |
| -15 | - | - | 13,5 | 2,30 | 12,6 | 2,07 | 11,9 | 1,84 | 11,5 | 1,62 | - | - | - | - | |
| -10 | 16,4 | 2,88 | 14,5 | 2,50 | 13,8 | 2,27 | 13,3 | 2,03 | 12,9 | 1,80 | - | - | - | - | |
| -7 | 16,8 | 3,06 | 15,3 | 2,67 | 14,8 | 2,42 | 14,3 | 2,17 | 14,0 | 1,92 | 13,6 | 1,69 | - | - | |
| 2 | 22,3 | 3,16 | 21,5 | 2,70 | 21,1 | 2,44 | 20,8 | 2,19 | 20,4 | 1,95 | 20,1 | 1,73 | 19,6 | 1,53 | |
| 7 | 30,9 | 4,40 | 30,1 | 3,66 | 29,6 | 3,29 | 29,1 | 2,93 | 28,6 | 2,61 | 28,0 | 2,31 | 27,6 | 2,07 | |
| 12 | 35,8 | 5,16 | 34,9 | 4,20 | 34,4 | 3,76 | 33,8 | 3,34 | 33,1 | 2,97 | 32,3 | 2,63 | 31,5 | 2,33 | |
| 15 | 39,0 | 5,62 | 38,0 | 4,53 | 37,4 | 4,04 | 36,7 | 3,59 | 35,9 | 3,19 | 35,1 | 2,83 | 34,1 | 2,51 | |
| 20 | 44,9 | 6,43 | 43,6 | 5,12 | 42,9 | 4,56 | 42,0 | 4,04 | 41,1 | 3,59 | 40,1 | 3,19 | 39,0 | 2,83 | |
| Nom. | -20 | - | - | 13,1 | 2,19 | 11,8 | 1,94 | 10,9 | 1,70 | - | - | - | - | - | - |
| -15 | - | - | 13,5 | 2,30 | 12,6 | 2,07 | 11,9 | 1,84 | 11,5 | 1,62 | - | - | - | - | |
| -10 | 15,4 | 2,92 | 14,5 | 2,50 | 13,8 | 2,27 | 13,3 | 2,03 | 12,9 | 1,80 | - | - | - | - | |
| -7 | 16,3 | 3,10 | 15,3 | 2,67 | 14,8 | 2,42 | 14,3 | 2,17 | 14,0 | 1,92 | 13,6 | 1,69 | - | - | |
| 2 | 20,0 | 3,39 | 20,0 | 2,80 | 20,0 | 2,51 | 20,0 | 2,20 | 20,0 | 1,96 | 20,0 | 1,73 | 19,6 | 1,53 | |
| 7 | 25,0 | 5,02 | 25,0 | 4,00 | 25,0 | 3,57 | 25,0 | 3,10 | 25,0 | 2,80 | 25,0 | 2,45 | 24,9 | 2,14 | |
| 12 | 29,2 | 5,95 | 29,2 | 4,67 | 29,2 | 4,11 | 29,2 | 3,60 | 29,2 | 3,15 | 29,2 | 2,75 | 29,2 | 2,40 | |
| 15 | 31,8 | 6,52 | 31,8 | 5,06 | 31,9 | 4,44 | 31,8 | 3,88 | 31,9 | 3,39 | 31,8 | 2,96 | 31,9 | 2,58 | |
| 20 | 36,8 | 7,53 | 36,8 | 5,75 | 36,8 | 5,02 | 36,8 | 4,37 | 36,8 | 3,81 | 36,8 | 3,33 | 36,8 | 2,91 | |
| Med. | -20 | - | - | 10,5 | 2,23 | 9,4 | 1,98 | 8,8 | 1,74 | - | - | - | - | - | - |
| -15 | - | - | 10,8 | 2,37 | 10,1 | 2,13 | 9,6 | 1,89 | 9,2 | 1,67 | - | - | - | - | |
| -10 | 12,3 | 3,06 | 11,6 | 2,63 | 11,1 | 2,37 | 10,7 | 2,11 | 10,4 | 1,86 | - | - | - | - | |
| -7 | 13,0 | 3,30 | 12,3 | 2,83 | 11,8 | 2,55 | 11,5 | 2,27 | 11,2 | 2,01 | 10,9 | 1,76 | - | - | |
| 2 | 16,0 | 3,80 | 16,0 | 3,10 | 16,0 | 2,70 | 16,0 | 2,40 | 16,0 | 2,10 | 16,0 | 1,80 | 16,0 | 1,60 | |
| 7 | 20,0 | 5,50 | 20,0 | 4,40 | 20,0 | 3,90 | 20,0 | 3,40 | 20,0 | 3,00 | 20,0 | 2,60 | 20,0 | 2,20 | |
| 12 | 23,4 | 6,56 | 23,4 | 5,11 | 23,4 | 4,48 | 23,4 | 3,91 | 23,4 | 3,41 | 23,4 | 2,97 | 23,4 | 2,58 | |
| 15 | 25,5 | 7,22 | 25,5 | 5,56 | 25,5 | 4,85 | 25,5 | 4,23 | 25,5 | 3,68 | 25,5 | 3,20 | 25,5 | 2,79 | |
| 20 | 29,4 | 8,38 | 29,4 | 6,36 | 29,4 | 5,53 | 29,4 | 4,80 | 29,4 | 4,17 | 29,4 | 3,63 | 29,4 | 3,16 | |
| Mín. | -20 | - | - | 9,4 | 2,24 | 8,5 | 1,98 | 8,0 | 1,74 | - | - | - | - | - | - |
| -15 | - | - | 9,9 | 2,39 | 9,3 | 2,15 | 8,8 | 1,90 | 8,4 | 1,67 | - | - | - | - | |
| -10 | 12,0 | 3,08 | 10,8 | 2,65 | 10,3 | 2,39 | 9,9 | 2,13 | 9,6 | 1,88 | - | - | - | - | |
| -7 | 12,6 | 3,32 | 11,6 | 2,86 | 11,2 | 2,58 | 10,8 | 2,30 | 10,4 | 2,02 | 10,1 | 1,77 | - | - | |
| 2 | 11,1 | 4,22 | 10,5 | 3,41 | 10,2 | 3,03 | 9,8 | 2,66 | 9,4 | 2,33 | 9,0 | 2,03 | 8,5 | 1,77 | |
| 7 | 6,1 | 4,76 | 5,8 | 3,87 | 5,7 | 3,45 | 5,5 | 3,08 | 5,3 | 2,74 | 5,2 | 2,43 | 5,0 | 2,16 | |
| 12 | 7,1 | 5,61 | 6,8 | 4,47 | 6,5 | 3,97 | 6,3 | 3,53 | 6,1 | 3,12 | 5,9 | 2,76 | 5,7 | 2,45 | |
| 15 | 7,9 | 6,18 | 7,4 | 4,88 | 7,2 | 4,32 | 6,9 | 3,82 | 6,7 | 3,38 | 6,4 | 2,99 | 6,2 | 2,64 | |
| 20 | 9,3 | 7,20 | 8,6 | 5,62 | 8,3 | 4,95 | 8,0 | 4,36 | 7,7 | 3,84 | 7,4 | 3,39 | 7,1 | 3,00 | |
Rango disponible
Asegúrese de evitar el rango no disponible durante los desescarches. De lo contrario, la unidad exterior podría no haberse desecho de toda la escarcha y/o el PHEX se podría congelar.
Temperaturas máximas de impulsión
Curvas de criterio sonoro
- Datos sonoros tomados con el sistema en régimen estable.
- Cuando la V4V o la LEV entran en funcionamiento se puede escuchar un sonido relativamente mayor.
Nivel sonoro estimado en función de la distancia a la OU
- Datos sonoros tomados con el sistema en régimen estable.
- Cuando la V4V o la LEV entran en funcionamiento se puede escuchar un sonido relativamente mayor.
- No se considera la reflexión de sonido desde el suelo o paredes aledañas.
Eficiencia energética estacional
Calefacción de espacios
| Tipo IU | F/C | S/C | ||||
|---|---|---|---|---|---|---|
| Hydrobox | Con RdA | ERSE-YM9ED | Ficha ErP | EHSE-YM9ED | Ficha ErP | |
| Sin RdA | ERSE-MED | – | – | |||
| Media Tª (55°C) | Clase | A++ | A++ | |||
| ηs / SCOP | Clima medio | 129% / 3,30 | 127% / 3,25 | |||
| Clima cálido | 148% / 3,78 | 147% / 3,75 | ||||
| Clima frío | 110% / 2,83 | 109% / 2,80 | ||||
| Baja Tª (35°C) | Clase | A++ | A++ | |||
| ηs / SCOP | Clima medio | 164% / 4,18 | 163% / 4,15 | |||
| Clima cálido | 211% / 5,35 | 209% / 5,30 | ||||
| Clima frío | 143% / 3,65 | 142% / 3;63 | ||||
Recursos externos
Lodotec
EHPA Keymark
Archivos BIM
UPDATES
We've started shipping!
Posted 2 days agoSuspendisse luctus at massa sit amet bibendum. Cras commodo congue urna, vel dictum velit bibendum eget. Vestibulum quis risus euismod, facilisis lorem nec, dapibus leo. Quisque sodales eget dolor iaculis dapibus. Vivamus sit amet lacus ipsum. Nullam varius lobortis neque, et efficitur lacus. Quisque dictum tellus nec mi luctus imperdiet. Morbi vel aliquet velit, accumsan dapibus urna. Cras ligula orci, suscipit id eros non, rhoncus efficitur nisi.
Launch begins manufacturing
Posted 9 days agoSuspendisse luctus at massa sit amet bibendum. Cras commodo congue urna, vel dictum velit bibendum eget. Vestibulum quis risus euismod, facilisis lorem nec, dapibus leo. Quisque sodales eget dolor iaculis dapibus. Vivamus sit amet lacus ipsum. Nullam varius lobortis neque, et efficitur lacus. Quisque dictum tellus nec mi luctus imperdiet. Morbi vel aliquet velit, accumsan dapibus urna. Cras ligula orci, suscipit id eros non, rhoncus efficitur nisi.
Designs have now been finalized
Posted 17 days agoSuspendisse luctus at massa sit amet bibendum. Cras commodo congue urna, vel dictum velit bibendum eget. Vestibulum quis risus euismod, facilisis lorem nec, dapibus leo. Quisque sodales eget dolor iaculis dapibus. Vivamus sit amet lacus ipsum. Nullam varius lobortis neque, et efficitur lacus. Quisque dictum tellus nec mi luctus imperdiet. Morbi vel aliquet velit, accumsan dapibus urna. Cras ligula orci, suscipit id eros non, rhoncus efficitur nisi.








